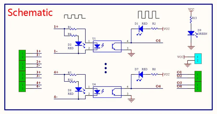
5V to 24V PLC Signal Converter

රු3,500.00

Optocoupler Isolator

Category: